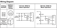
Capacitor start/capacitor run motors provide continuous voltage sensing information which can be used to extract speed data from the voltage across the motor start winding. By comparing this start winding RPM-sensitive voltage to the main AC input voltage (which serves as a reference voltage), the switch determines when the start circuit should be de-energized. The electronic switch interrupts the start circuit current after the motor has accelerated to the cut out voltage (speed), and reconnects the start circuit whenever the speed sensitive circuit senses the motor voltage (speed) has decreased to a preselected cut in voltage (RPM) level.
Capacitor start/capacitor run motors exhibit current transients and higher voltages across the start switch. These electrical stresses occur due to the switching of the two capacitors (start and run) that are connected in parallel during motor start and may have different voltages at time of restart. These stresses occur at restart with both mechanical and electronic start switches. The VR switch features circuitry designed to eliminate the effects of these conditions.
Specifications
Typical Maximum Motor |
N/A 2 hp |
Typical
|
N/A 20 A |
Typical
|
N/A 20/10 A |
Switch Rating Permissible Max Start Capacitor Current |
N/A 40 A |
Start Circuit Voltage |
N/A 115 V |
Part Number |
N/A 4-7-71040-12-UA1 4-7-71040-12-UB1 4-7-71040-19-UA1 4-7-71040-19-UB1 |
Typical Cut Out Voltage |
N/A 130 V147 V |
Typical Cut In Voltage |
N/A 30 V37 V |
Package Style |
N/A 12 19 |
Additional Features
|
N/A
|
